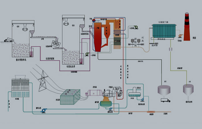
飛灰穩定化處理技術
來自焚燒廠煙氣處理系統的飛灰在送入原儲倉閥門前設一旁路將飛灰吹送至新建飛灰儲倉,再通過螺旋輸送機輸送至飛灰計量罐,同時螺旋輸送機將水泥送至水泥計量罐,鰲合劑稀釋波輸送泵啟動,將鰲合劑輸送至螯合劑計量罐。
咨詢熱線:
所屬分類:
關鍵詞:
飛灰穩定化處理技術
核心技術
飛灰穩定化處理技術

其他技術
在線留言
長汀程隆環保科技有限公司
電話:0597—6519988
傳真:0597—6518088
郵箱:chenglonghb@126.com
官網:http://www.ybwdf.cn
地址:福建省長汀縣古城鎮黃陂村長田路28號(彭屋山)
copyright ? 2023 長汀程隆環保科技有限公司